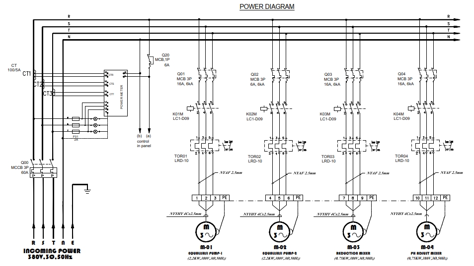
Design Panel Layout & Wiring Diagram Kontrol (Panel)
Apakah anda sedang ingin merencanakan membangun sebuah Panel Control? Bingung terkait Wiring Diagram Power dan Control? Saya Muhammad Fajrin Afian Syafiq, siap membantu anda terkait permasalahan tersebut. 1. Design & Layout Panel 2. Design & Layout Single Line Diagram & Wiring Control Dan lainnya terkait Instalasi Panel Listrik anda. Silahkan hubungi saya untuk melakukan pemesanan. Terima Kasih. Best Regard, Muhammad Fajrin Afian Syafiq Langkah Pekerjaan 1. Disscuss bersama Client 2. Sediakan Drawing Building ( Dwg or PDF, etc) 3. Proses Pengerjaan 4. Check & Revisions
I am Muhammad Fajrin Afian Syafiq, a Electrical Design Engineer with 2+ years of experience in Engineering Drawing (3D Modeling or 2D Drafting). I specialize in Electrical Building System and Manufacturing. Skilled in Dialux Software, Autocad Software.
I am Muhammad Fajrin Afian Syafiq, a Electrical Design Engineer with 2+ years of experience in Engineering Drawing (3D Modeling or 2D Drafting). I specialize in Electrical Building System and Manufacturing. Skilled in Dialux Software, Autocad Software.
Diskusi tentang Detail dan Ringkasan pekerjaan yang Anda inginkan dengan freelancer. Anda belum akan dikenakan biaya
Setuju untuk mempekerjakan dengan meminta penawaran dari freelancer. Periksa detail dan lakukan pembayaran untuk mulai bekerja.
Ketika freelancer menyerahkan pekerjaan akhir untuk menyelesaikan kontrak, pemberi kerja dapat memeriksanya terlebih dahulu. Pemberi kerja bisa memeriksa dan meminta untuk revisi atau menyetujui hasil tersebut sesuai kesepakatan.
Platform Fastwork adalah pihak perantara yang akan menyimpan uang pemberi kerja sebagai keamanan dan freelancer akan mendapatkan uang setelah pemberi kerja menyetujuinya.








