Pembuatan Rangkaian & Desain PCB Profesional (EasyEDA / IoT Project)
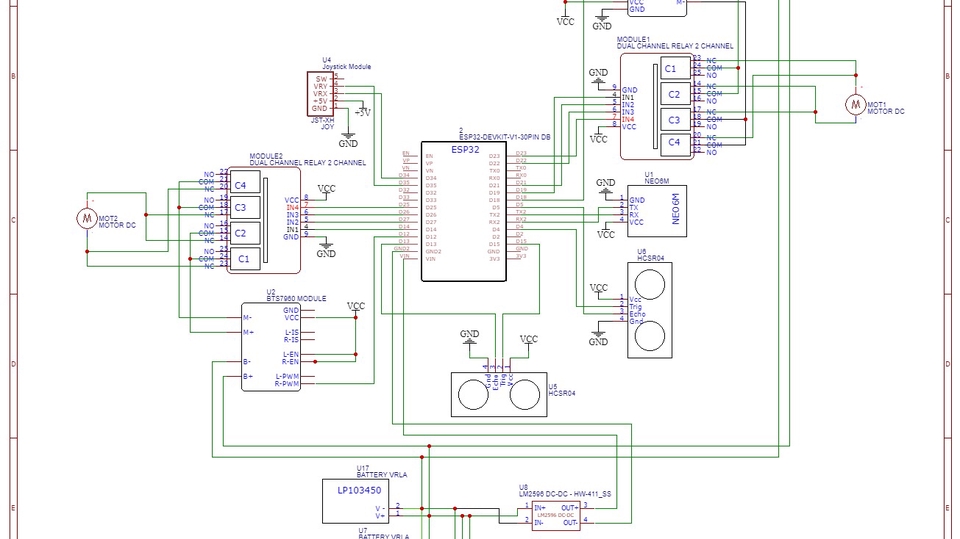
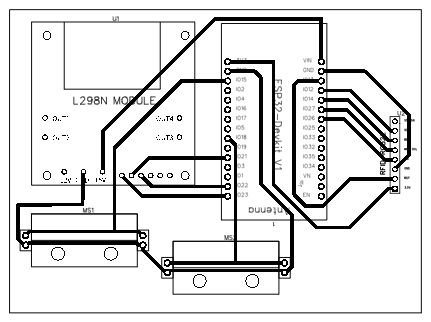
Apakah Anda sedang membutuhkan jasa desain rangkaian elektronik dan PCB profesional untuk proyek IoT, Arduino, atau ESP32 Anda? Saya siap membantu Anda merancang sistem elektronik yang presisi, efisien, dan siap produksi, menggunakan software EasyEDA dengan hasil yang sesuai standar industri. Sebagai lulusan Teknik Elektro yang berpengalaman di bidang Internet of Things (IoT) dan rancang bangun sistem otomatisasi, saya memahami pentingnya desain yang tidak hanya berfungsi, tetapi juga rapi dan mudah direalisasikan di dunia nyata. 💡 Layanan yang Saya Tawarkan: 1. Desain Skematik (Schematic Design) Pembuatan diagram rangkaian elektronik lengkap berdasarkan kebutuhan Anda. Penentuan komponen sesuai fungsi, tegangan, dan efisiensi daya. Penerapan simbol & koneksi standar agar mudah dipahami dan diubah. 2. Desain Layout PCB (1–2 Layer) Pembuatan layout dengan penempatan komponen optimal dan jalur efisien. Pemisahan jalur sinyal, power, dan ground agar noise lebih rendah. Penambahan silkscreen, label, serta lubang bor sesuai ukuran casing alat Anda. 3. Pembuatan File Gerber Lengkap Siap dikirim ke pabrik (JLCPCB, PCBWay, PCB.id, dan lainnya). Termasuk file Drill, Top Layer, Bottom Layer, Solder Mask, dan Silkscreen. Dapat disertai file BOM (Bill of Materials) dan 3D View PCB jika diperlukan. 4. Konsultasi & Revisi Desain Diskusi awal untuk memahami kebutuhan proyek secara detail. Revisi ringan jika ada penyesuaian ukuran atau komponen. Saran teknis untuk optimasi desain & kestabilan sistem. 📦 Hasil yang Anda Terima: 📁 File Gerber (.zip) siap cetak di pabrik 📘 File Schematic (.sch) dari EasyEDA 🖼️ Preview gambar layout PCB (.jpg/.png) 📑 (Opsional) File BOM (Bill of Materials) 💻 (Opsional) File 3D View PCB Semua hasil akan dikirim rapi dan siap untuk produksi atau dokumentasi laporan proyek Anda. 🕒 Estimasi Waktu Pengerjaan: Desain sederhana: 1–2 hari kerja Desain menengah: 2–4 hari kerja Desain kompleks: sesuai kesepakatan 📞 Catatan Tambahan: Jika Anda memiliki gambar rangkaian, ide, atau referensi proyek, kirimkan kepada saya sebelum pemesanan agar hasil desain lebih akurat dan sesuai kebutuhan Anda. Saya juga terbuka untuk kerja sama jangka panjang, pengembangan proyek baru, atau integrasi hardware + software IoT. Saya akan membantu Anda mewujudkan rancangan elektronik yang siap uji dan siap produksi. Dengan hasil desain yang rapi, dokumentasi lengkap, dan pelayanan profesional — proyek Anda akan berjalan lebih cepat dan efisien ⚡
Paket: 3 paket
Paket BASIC
Rp100,0 rbDesain rangkaian sederhana dengan 1 mikrokontroler (ESP32/Arduino) dan sedikit komponen. ✅ Desain skematik dasar ✅ Layout PCB 1 layer ✅ File Gerber siap cetak 📄 Format file: EasyEDA, PDF, Gerber
Paket STANDARD
Rp200,0 rbDesain rangkaian menengah dengan beberapa sensor atau tambahan. ✅ Desain skematik dan layout ✅ Layout PCB hingga 2 layer ✅ File Gerber ✅ Gambar 3D board 📄 Format file: EasyEDA, PDF, Gerber, BOM
Paket PREMIUM
Rp350,0 rbDesain lengkap untuk proyek kompleks IoT ✅ Desain rangkaian profesional ✅ Layout PCB hingga 2 layer ✅ File Gerber + BOM + Gambar 3D ✅ Konsultasi 📄 Format file: EasyEDA, PDF, Gerber, BOM, 3D
Saya lulusan Teknik Elektro dengan keahlian di bidang Internet of Things (IoT), sistem otomatisasi, dan pemrograman ESP32 serta Arduino. Berpengalaman merancang proyek seperti kursi roda otomatis, pintu air cerdas, dan sistem absensi digital. Siap membantu Anda membuat solusi IoT yang efisien, inovatif, dan profesional.
Saya lulusan Teknik Elektro dengan keahlian di bidang Internet of Things (IoT), sistem otomatisasi, dan pemrograman ESP32 serta Arduino. Berpengalaman merancang proyek seperti kursi roda otomatis, pintu air cerdas, dan sistem absensi digital. Siap membantu Anda membuat solusi IoT yang efisien, inovatif, dan profesional.
Diskusi tentang Detail dan Ringkasan pekerjaan yang Anda inginkan dengan freelancer. Anda belum akan dikenakan biaya
Setuju untuk mempekerjakan dengan meminta penawaran dari freelancer. Periksa detail dan lakukan pembayaran untuk mulai bekerja.
Ketika freelancer menyerahkan pekerjaan akhir untuk menyelesaikan kontrak, pemberi kerja dapat memeriksanya terlebih dahulu. Pemberi kerja bisa memeriksa dan meminta untuk revisi atau menyetujui hasil tersebut sesuai kesepakatan.
Platform Fastwork adalah pihak perantara yang akan menyimpan uang pemberi kerja sebagai keamanan dan freelancer akan mendapatkan uang setelah pemberi kerja menyetujuinya.



